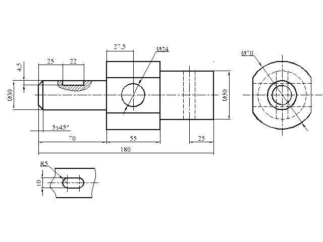
Начертить главный вид вала , взяв направление взгляда по стрелке А

Приложения:

Ответы

Ответ дал: Букса
5

++++++++++++++++++++++++++++++

Приложения:
Вас заинтересует