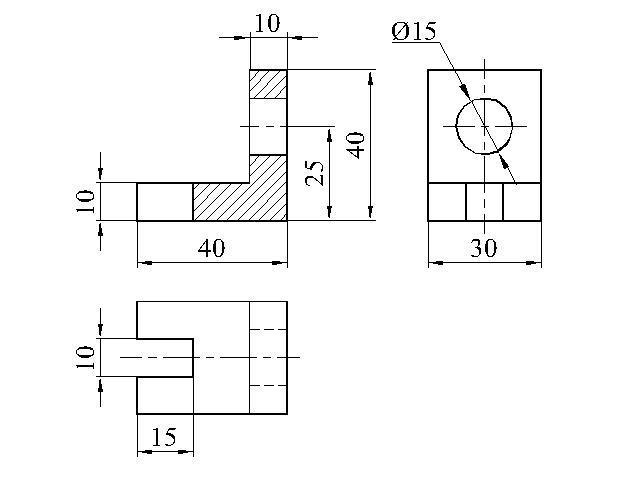
выполните разрез и если нужно, сделайте третий вид. Пожалуйста. СРОЧНО

Приложения:

Ответы

Ответ дал: Букса
0

+++++++++++++++++++++++++++++

Приложения:
Вас заинтересует