Срочно помогите начертить два вида
И нужно указать где разрез

Приложения:

Ответы

Ответ дал: Букса
2

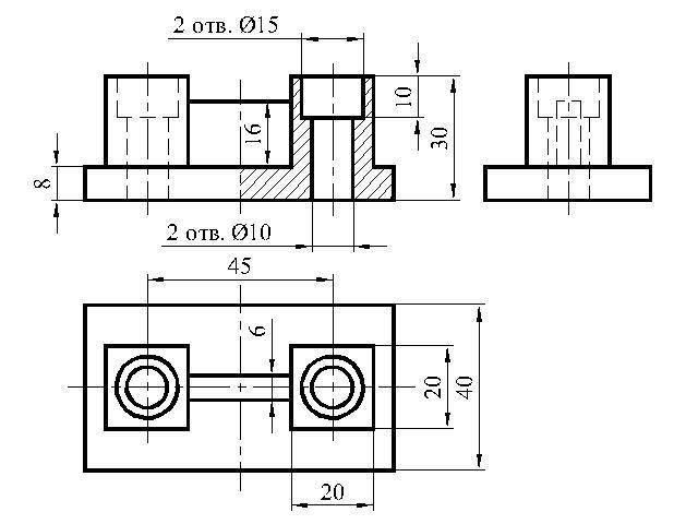
Фронтальная проекция (вид спереди) выполнена с вырезом 1/4 детали - этого достаточно, т.к. деталь симметричная.

Приложения:
Вас заинтересует