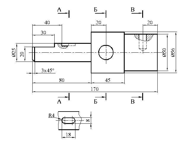
Помогите сделать, главный вид
и сечения!Заранее спасибо

Приложения:

Ответы

Ответ дал: Букса
1

Выносные сечения можно располагать не только по оси, но и на любом свободном месте чертежа

Приложения:

nagibatorrr78242: Спс
nagibatorrr78242: огромное!
Вас заинтересует