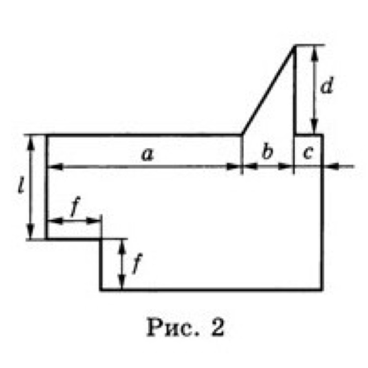
Составьте формулу для вычисления площади фигуры, изображенной на вложении.( оно есть)
Приложения:
Ответы
Ответ дал:
0
(((l+f)*(a+b+c))-f²)+b*d/2
Вас заинтересует
2 года назад
3 года назад
3 года назад
9 лет назад
9 лет назад
10 лет назад
10 лет назад