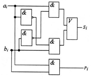
СРОЧНО НУЖНА ПОМОЩЬ!!! Нужно построить данную схему в программе Electronic Workbench (EWB). Желательно объяснить, что обозначает символ V.
БУДУ ОЧЕНЬ БЛАГОДАРЕН.
Приложения:
Ответы
Ответ дал:
0
V - ЗНАЧИТ ВЕНДЕТТА XDXDXDXD)))00))))000
Вас заинтересует
2 года назад
3 года назад
10 лет назад