• Предмет: Физика
  • Автор: SweetMood
  • Вопрос задан 8 лет назад

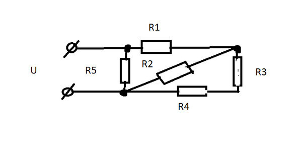
Цепь постоянного тока состоит из пяти резисторов, сопротивления которых соответственно равны: R1=7 OM, R2=4 OM,R3=10 OM, R4=2 OM, R5=10 OM, U=15 В. Определить эквивалентное сопротивление цепи Rэкв, общее напряжение цепи U, а так же напряжение на каждом резисторе. И показать направление потоков.

Приложения:

Ответы

Ответ дал: Аноним
0

Заменим R3 и R4 на R34. Т.к. R3 и R4 расположены последовательно:

R_{34} = R_3 + R_4 = 10 Omega + 2 Omega = 12 Omega

Теперь заменим R_2 и R_{34} на R_{234}. Т.к. R_2 и R_{34}расположены параллельно:

R_{234} = frac{1}{frac{1}{R_2} + frac{1}{R_{34}}} = frac{1}{frac{1}{4}+frac{1}{12}}=3 Omega

R_1 и R_{234} расположены последовательно:

R_{1234} = R_1 + R_{234} = 7Omega + 3 Omega = 10 Omega

R_5 и R_{1234} расположены параллельно, поэтому эквивалентное сопротивление цепи равно:

R = frac{1}{frac{1}{R_5}+frac{1}{R_{1234}}}=frac{1}{frac{1}{10}+frac{1}{10}}=5Omega

Общее напряжение цепи равно 15В.

Т.к. R_5 и R_{1234} расположены параллельно:

U_5 = U_{1234} = U = 15B

Т.к. R_1 и R_{234} расположены последовательно:

U_1 = U_{1234} frac{R_1}{R_{1234}}= 15cdot frac{7}{10}=10,5B,

а U_{234}=U-U_1=15-10,5=4,5B

Т.к. R_2 и R_{34}расположены параллельно:

U_2 = U_{34} = U_{234}= 4,5B

R_3 и R_4 расположены последовательно:

U_3 = U_{34} cdot frac{R_3}{R_{34}}=4,5 cdot frac{10}{12}=3,75 B

U_4 = U_{34}-U_3=4,5 B-3,75B=0,75B

Приложения:
Вас заинтересует