Помогите пожалуйста :с
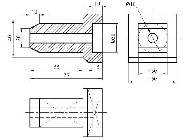
По данному виду постройте еще два вида детали. Выполните необходимые разрезы.
Приложения:

Ответы
Ответ дал:
1
+++++++++++++++++++++++++++++
Приложения:

математик25689:
Спасибо тебе большое, правда
Вас заинтересует
1 год назад
2 года назад
2 года назад
3 года назад
3 года назад