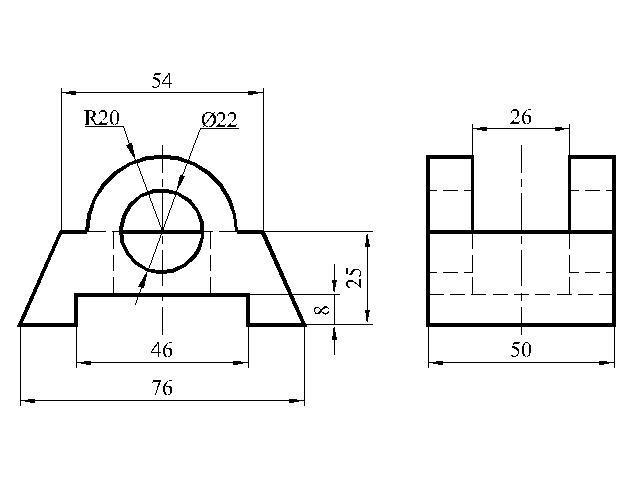
Найти из 2-х видов 3-ий. Прошу, помогите. Срочно! (Глава VIII, Вариант 7)

Приложения:

Ответы

Ответ дал: Букса
0

++++++++++++++++++++++++++++++++

Приложения:
Вас заинтересует