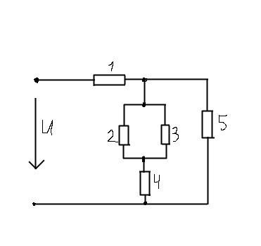
Помогите решить задачу)Дано:
R1=2Ом
R2=4Ом
R3=12Ом
R4=3Ом
R5=5Ом
U=100в
Найти:
мощность каждого резистора?
общее сопротивление цепи ?
Приложения:

Ответы
Ответ дал:
0
найдем эквиваленты сопротивлений
r23=R2*R3/(R2+R3)=4*12/(4+12)=3 Ома
r234=r236+R4=3+3=6 Ом
r2345=r234*R5/(r234+R5)=6*5/(6+5)=2.727 Ом
Общее сопротивление цепи
R=r2345+R1=2.727+2=4.727 Ом
Найдем токи и напряжения на резисторах, тогда сможем найти мощности.
I=I1=U/R=100/4.727=21.155 A
U1=R1*I1=2*21.155=42.31 V
P1=U1*I1=21.155*42.31=795.1 Ватт
U5=U-U1=100-42.31=57.69 V
I5=U5/R5=57.69/5=11.54 А
P5=U5*I5=57.69*11.54=665.63 Ватт
I4=I1-I5=21.155-11.54=9.615 A
U4=R4*I4=3*9.615=28.845 V
P4=U4*I4=28.845*9.615=277.35 Ватт
U2=U3=U5-U4=57.69-28.845=28.845
P2=U2^2/R2=(28.845^2)/4=208.01 Ватт
P3=U2^2/R3=(28.845^2)/12=69.34 Ватт
Вас заинтересует
2 года назад
3 года назад
3 года назад
9 лет назад
9 лет назад
9 лет назад