Ученик при сборе электрической цепи случайно перепутал вольтметр и амперметр, какой прибор по этой причине может выйти из строя?
Ответы
У вольтметра большое сопротивление, если его включить в цепь последовательно, общее сопротивление увеличится, сила тока уменьшится.
У амперметра сопротивление маленькое, чтобы не нарушать работу цепи при включении. Если включить его параллельно нагрузке, мы ее закоротим. Но вместо нагрузки ее роль сыграет вольтметр.
Ответ: приборы не перегорят.
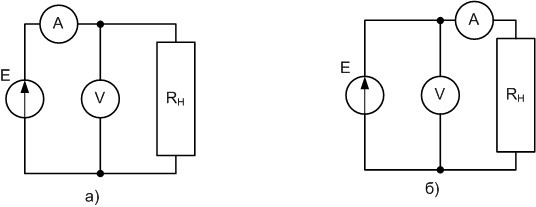
Возможны 2 варианта включения приборов, представленные на рисунке. Высокое сопротивление вольтметра защитит его от выхода из строя при включении его вместо амперметра для любого варианта включения.
При включения амперметра вместо вольтметра в варианте а), ток через амперметр будет ограничен высоким сопротивлением вольтметра и в этом случае приборы не выйдут, для варианта б) амперметр оказывается включенным непосредственно к источнику напряжения и ток через него ограничен только его собственным сопротивлением и внутренним сопротивлением источника ЭДС. Из-за их малой величины ток может достигнуть больших значений и вывести амперметр из строя.
