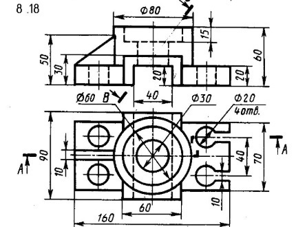
Помогите пожалуйста, нужно построить третье изображение детали по двум данным, дать разрезы, построить натуральный вид наклонного сечения, а также наглядное изображение детали в аксонометрической проекции.
Приложения:

Ответы
Ответ дал:
5
++++++++++++++++++++++++++++++
Приложения:



Вас заинтересует
1 год назад
2 года назад
2 года назад
3 года назад
3 года назад
8 лет назад