Ответы
Ответ дал:
0
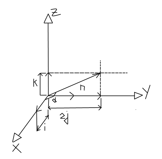
i,j,k векторы (орт) ортонормированной базиы (посмотри в Google-ортонормированный базис)
i=j=k=1
alpha=90
Приложения:


Вас заинтересует
2 года назад
2 года назад
8 лет назад
10 лет назад
10 лет назад
10 лет назад