Ответы
Ответ дал:
0
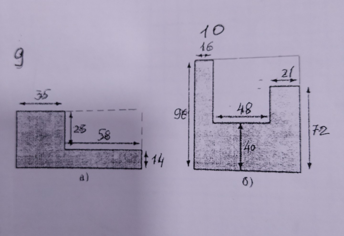
Фигура 9
(35+58)х(14+23)=93х37=3441. Это площадь закрашенной и не закрашенной фигур вместе.
3441-23х58=3441-1334=2107. Это площадь закрашенной фигуры.
Фигура 10.
S1=16x96=1536
S2=48x40=1920
S3=21x72=1512
S=1536+1920+1512=4968
(35+58)х(14+23)=93х37=3441. Это площадь закрашенной и не закрашенной фигур вместе.
3441-23х58=3441-1334=2107. Это площадь закрашенной фигуры.
Фигура 10.
S1=16x96=1536
S2=48x40=1920
S3=21x72=1512
S=1536+1920+1512=4968
Вас заинтересует
2 года назад
2 года назад
3 года назад
9 лет назад
9 лет назад