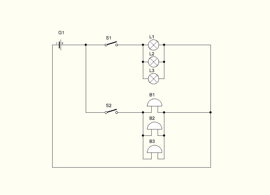
Сделать схему цепи с тремя лампочками, и тремя звонками. один ключ включает все лампочки, другой все звонки (98 балов даю)
Ответы
Ответ дал:
0
рисунок смотри во вложении
Приложения:

Ответ дал:
0
Огромное спасибо)
Вас заинтересует
2 года назад
3 года назад
3 года назад
8 лет назад
9 лет назад