• Предмет: Физика
  • Автор: hopelessre
  • Вопрос задан 8 лет назад

Пожалуйста!!!

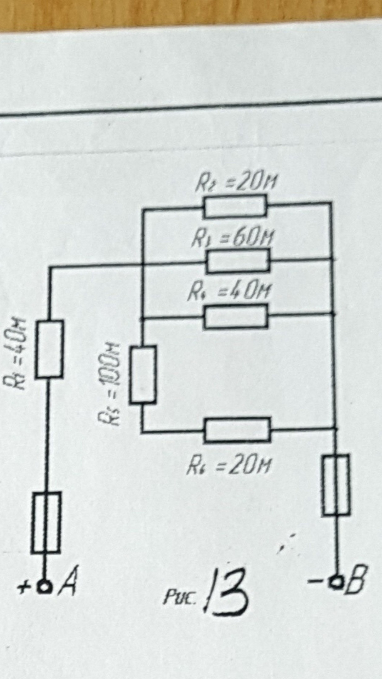
Определить: 1. Общий R цепи 2. Общее U и I в неразветвлённой участке цепи 3. Ток и напряжение на каждом участке цепи (на резисторах).

Если резистор r изымается, или резистор закорачивается. Напряжение на зажимах не меняется.
Предохранители не учитываются!

U6 = 24В


R1=40m;R2=20m;R3=60m;R4=40m;R5=100m;R6=20m.

Приложения:

Ответы

Ответ дал: miscanya0067
0

1. При последовательном соединении проводников общее сопротивление участка равно сумме сопротивлений проводников:



2. При последовательном соединении проводников силы тока в каждом из проводников равны и равны общей силе тока на участке цепи:



3. При последовательном соединении проводников сумма напряжений равна общему напряжению на участке цепи:



4. При параллельном соединении проводников общая проводимость участка равна сумме проводимостей проводников:



5. При параллельном соединении проводников сумма сил токов равна общей силе тока на участке цепи:



6. При параллельном соединении проводников напряжения в каждом из проводников равны и равны общему напряжению на участке цепи:


Ответ дал: Lol26032000
0

1.  Последовательное соединении проводников общее сопротивление участка равно сумме сопротивлений проводников

2. Последовательное соединении проводников силы тока в каждом из проводников равны и равны общей силе тока на участке цепи:

Вас заинтересует