Ответы
Ответ дал:
2
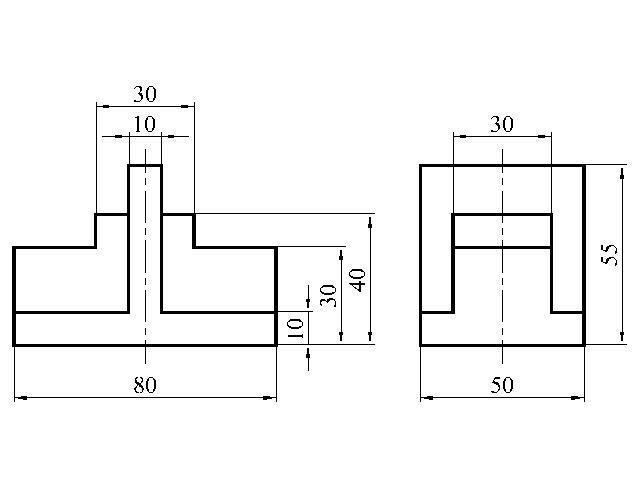
Обратите внимание добавила один размер (40 мм) и увеличила высоту до 55 мм.
Так как размеры перенесли на вид слева, то на виде сверху их указывать не нужно.
Приложения:

anzhelika0715:
спасибо
Вас заинтересует
1 год назад
1 год назад
2 года назад
3 года назад
8 лет назад