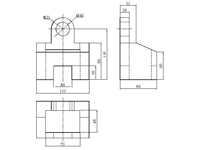
Помогите с черчением пожалуйста!!!Надо три проекции)

Приложения:

Ответы

Ответ дал: Букса
2

+++++++++++++++++++++++++++++

Приложения:
Вас заинтересует