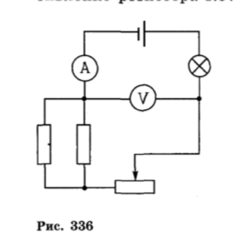
На рисунке 336 изображена схема смешанного соединения проводников . Приняв сопротивление левого резистора 30 Ом при параллельном включении , а правого резистора 60 Ом и сопротивление на реостате 40 Ом , требуется определить общее сопротивление этого участка цепи.
Приложения:

Ответы
Ответ дал:
0
Смотри фото с объяснением
Приложения:

Ответ дал:
0
Пусть левый R1, правый R2, реостат R3, общее R
Левый и правый соединены резисторы параллельно,значит их сопротивление
R12=R1R2/(R1+R2) =30*60/(30+60)=1800/90=20 Ом
С реостатом R12 соединены последовательно, тогда
R=R12+R3=20+40=60 Ом
Приложения:

Вас заинтересует
3 года назад
3 года назад
8 лет назад
9 лет назад