ПОМОГИТЕ ПОЖАЛУЙСТА С ЧЕРЧЕНИЕМ!!! СРОЧНО!!!!
ЗАДАНИЕ 16
ПО АКСОНОМЕТРИЧЕСКОЙ ПРОЕКЦИИ МОДЕЛИ ПОСТРОИТЬ В ТРЕХ ПРОЕКЦИЯХ ЕЁ ЧЕРТЕЖ.
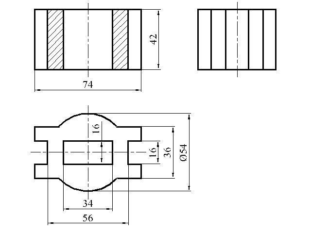
ЗАДАЧА 1 - С ПРИМЕНЕНИЕМ ФРОНТАЛЬНОГО РАЗРЕЗА.
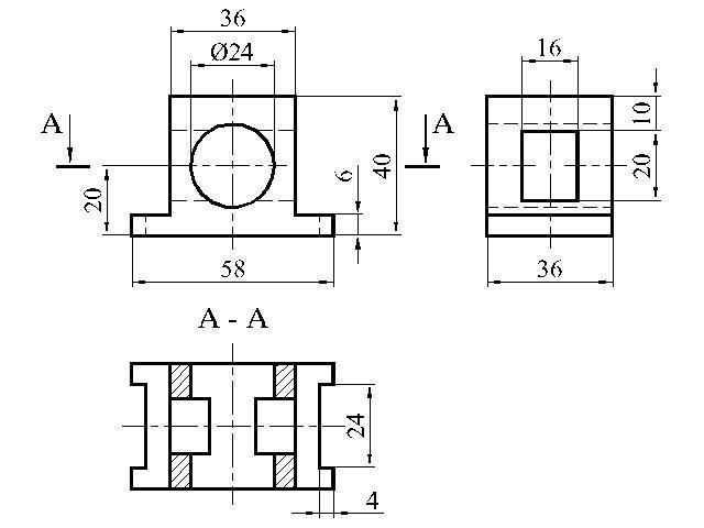
ЗАДАЧА 2 - С ПРИМЕНЕНИЕМ ГОРИЗОНТАЛЬНОГО РАЗРЕЗА.
Приложения:

Ответы
Ответ дал:
3
На первом чертеже - соединила половину главного вида с половиной разреза, а на втором чертеже сделала фронтальный разрез всей детали.
Приложения:



gribanovvictor97:
Спасибо большое
Вас заинтересует
1 год назад
1 год назад
2 года назад
2 года назад
3 года назад
3 года назад
8 лет назад