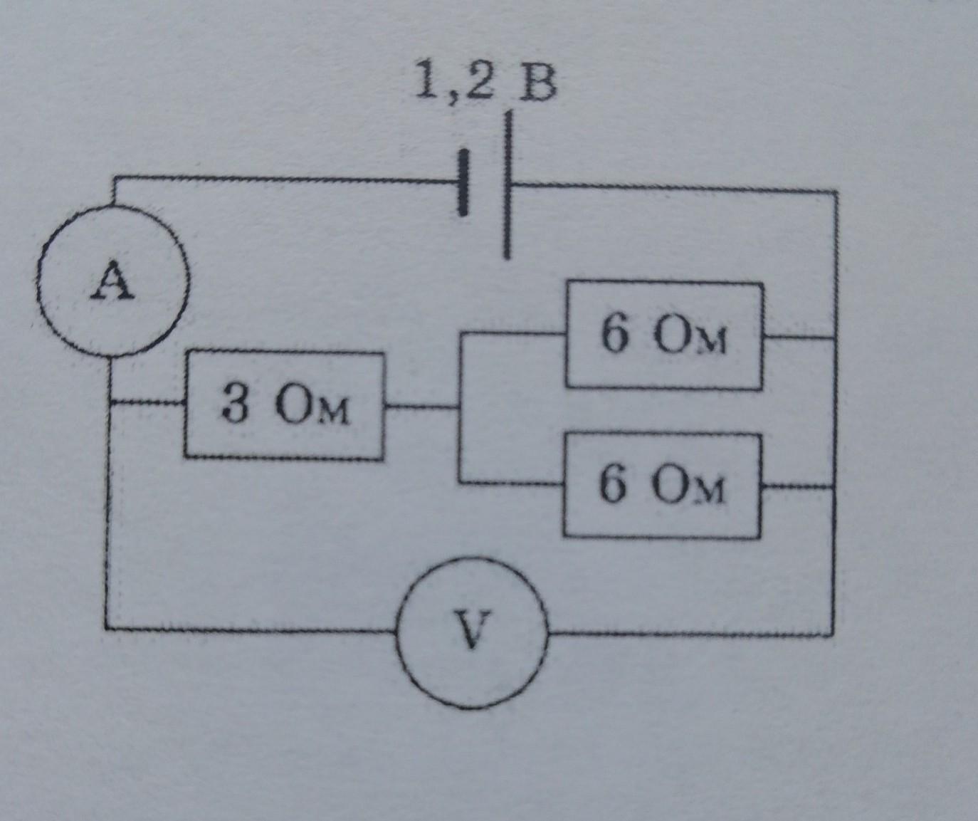
На рисунке показана электрическая схема, включающая источник тока, резисторы, амперметр А и вольтметр V. Определите показания приборов.
Амперметр:... А
Вольтметр:.... V
Приложения:

Ответы
Ответ дал:
0
Rобщ=6/2+3=6 Ом, I=U/Rобщ= 1.2/6=0.2А -показания а., U=1.2В -показания в.
Вас заинтересует
2 года назад
2 года назад
3 года назад
3 года назад
8 лет назад
8 лет назад
9 лет назад