• Предмет: Физика
  • Автор: Nighttttt
  • Вопрос задан 8 лет назад

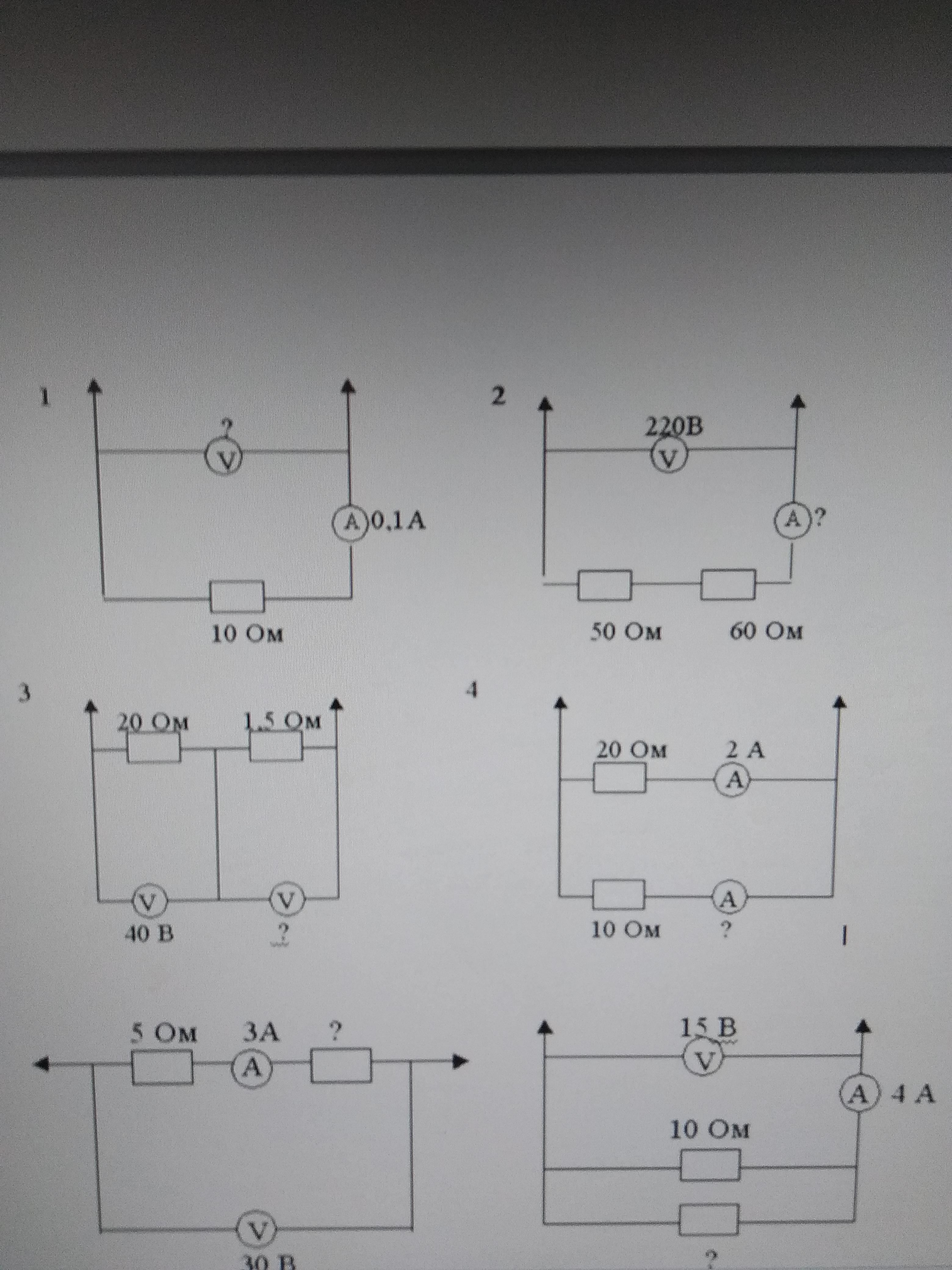
Помогите с 3,4 и если можно под ними тоже решить.

Приложения:

Ответы

Ответ дал: cc041863
0

3)

I=U1/R1=40/20=2 A

U2=R2*I=1.5*2=3 B

4)

U=R1*I1=20*2=40 B

I2=U/R2=40/10=4 A

5)

U1=I*R1=3*5=15 B

U2=U-U1=30-15=15 B

R2=U2/I=15/3=5 Ом

6)

I1=U/R1=15/10=1.5 A

I2=I-I1=4-1.5=2.5 A

R=U/I2=15/2.5= 6 Ом

Вас заинтересует