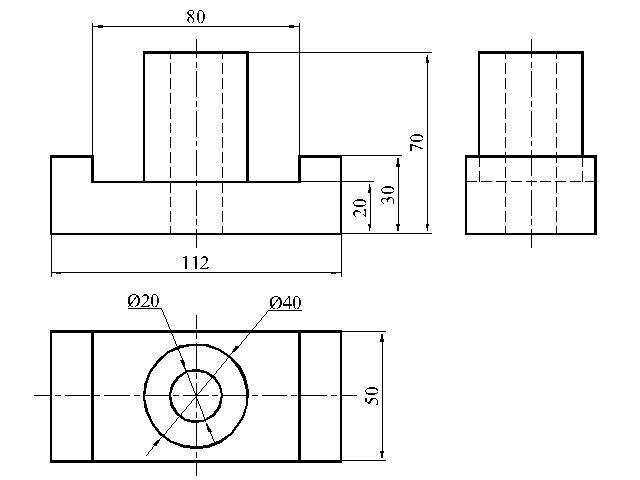
ЧЕРчЕНИЕ! Чертёж с размерами. 8 класс. Помогите, даю 100бал
Приложения:

serjiof:
изготовить деталь? Вопрос?
Ответы
Ответ дал:
3
Ответ:
Объяснение:
++++++++++++++++++++++++++++++++++++
Приложения:

Вас заинтересует
1 год назад
2 года назад
2 года назад
3 года назад
3 года назад