ЧЕРЧЕНИЕ!
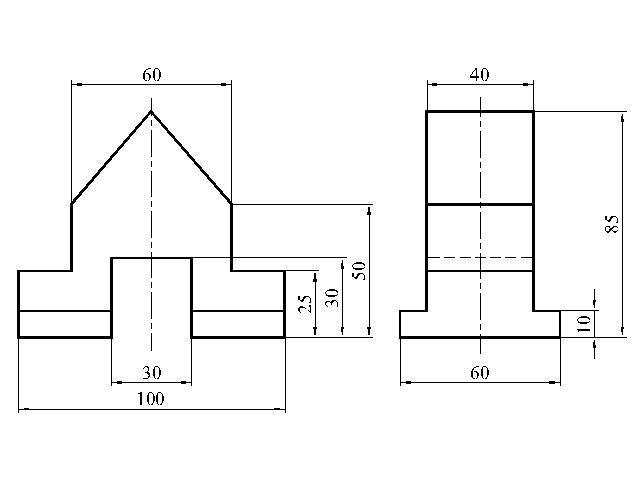
ПО ДВУМ ВИДАМ ПОСТРОИТЬ ИЗОМИТРИЧЕСКУЮ ПРОЕКЦИЮ ДЕТАЛИ! 100 БАЛОВ

Приложения:

Ответы

Ответ дал: Букса
0

Ответ:

Объяснение:

Размеры на видах проставила по ГОСТ.

Приложения:
Вас заинтересует