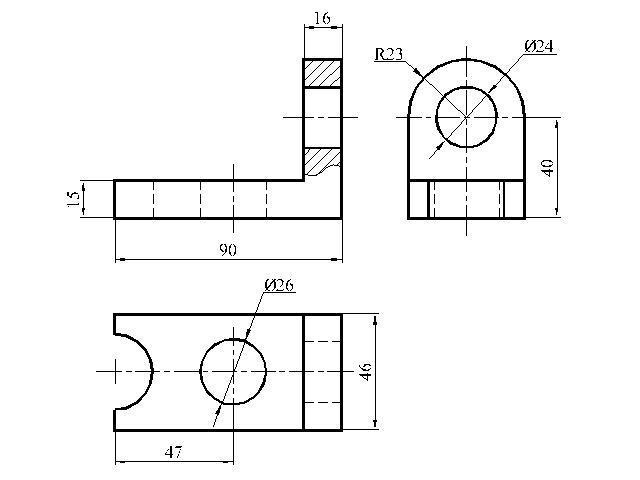
Помогите пожалуйста начертить черчение. Нужно выделеную карандашом часть детали начертить в разрезе.
Приложения:

Ответы
Ответ дал:
1
Ответ:
Объяснение:
+++++++++++++++++++++++++++++++++++++
Приложения:


Вас заинтересует
1 год назад
2 года назад
3 года назад
3 года назад