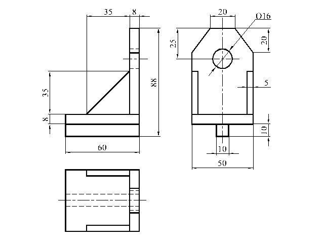
По объемному изображению детали построить три ее вида : вид спереди , вид сверху и вид слева . M 1:1 . Нанести размеры
Приложения:

Ответы
Ответ дал:
1
Ответ:
Объяснение:
В Вашем задании - сборочная единица, т.е. собрано из нескольких деталей, а просят начертить виды детали, а не сборки.
Первый чертеж - три вида сборки.
Второй чертеж - три вида детали.
Приложения:


wortline:
Спасибо тебе большое , правда не много поздновато
Вас заинтересует
2 года назад
3 года назад
3 года назад