• Предмет: Физика
  • Автор: linazelenskaya
  • Вопрос задан 8 лет назад

СРОЧНО!!! ПОМОГИТЕ!!!
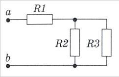
12. На рисунке ниже изображена схема с тремя резисторами: R1 = 5 Ом, R2 = 2 Ом, R3 = 8 Ом. Найдите общее сопротивление цепи.

Приложения:

Ответы

Ответ дал: vlad5748
0

Ответ:

R=6,6 Ом

Объяснение:

R=R₁+R₂*R₃/(R₂*R₃)=5+2*8/(2+8)=6,6 Ом

Вас заинтересует