ПО АКСОНОМЕТРИЧЕСКОЙ ПРОЕКЦИИ МОДЕЛИ ПОСТРОИТЬ В ТРЕХ ПРОЕКЦИЯХ ЕЁ ЧЕРТЕЖ.
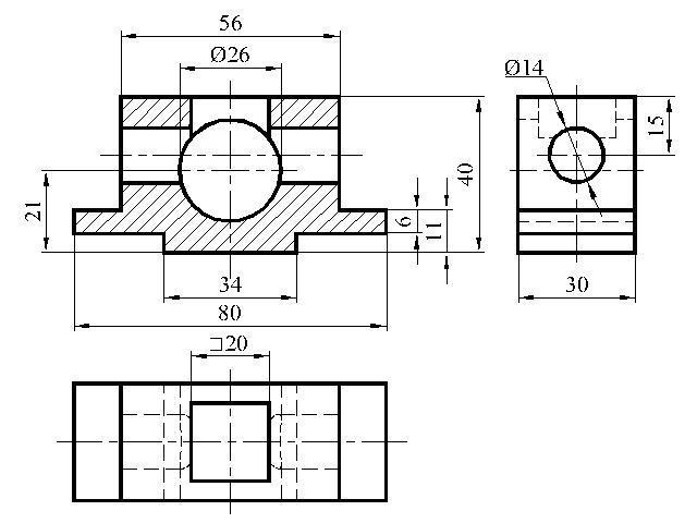
ЗАДАЧА 1 - С ПРИМЕНЕНИЕМ ФРОНТАЛЬНОГО РАЗРЕЗА.
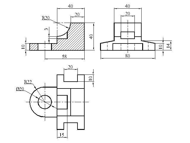
ЗАДАЧА 2 - С ПРИМЕНЕНИЕМ ГОРИЗОНТАЛЬНОГО РАЗРЕЗА.
Приложения:
Ответы
Ответ дал:
3
Ответ:
Объяснение:
++++++++++++++++++++++++++++++++++++++++++++++++
Приложения:
Вас заинтересует
2 года назад
2 года назад
2 года назад
3 года назад
3 года назад
9 лет назад