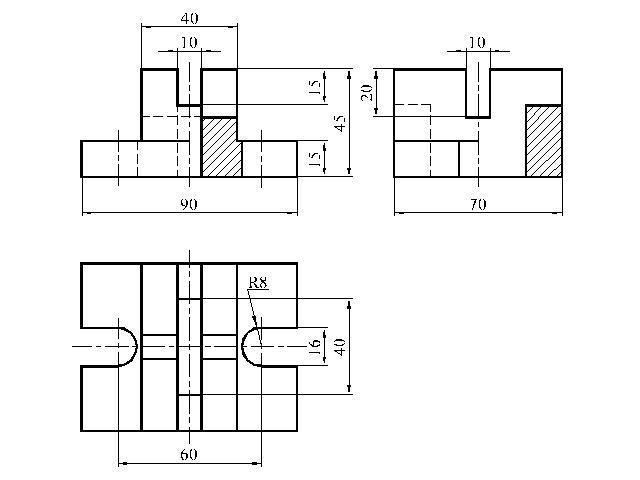
Чертеж, приведенный на карточке, содержит неполные изображения, состоящие из части вида сверху и частей разрезов. Руководствуясь этими изображениями, дополните чертеж детали, применив соединение вида с разрезом. Вариант 1, Задание 12 СРОЧНО!!!!!!!!!!!!!!!!!!!!!!!!
Приложения:

Ответы
Ответ дал:
1
Ответ:
Объяснение:
+++++++++++++++++++++++++++
Приложения:

Вас заинтересует
1 год назад
1 год назад
2 года назад
3 года назад
3 года назад
8 лет назад
8 лет назад