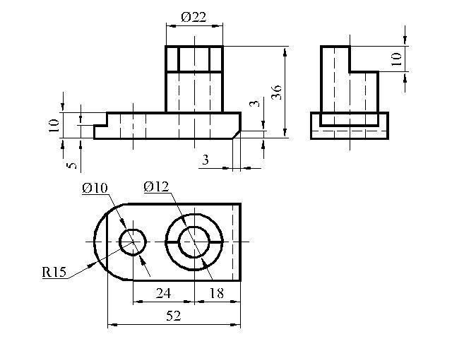
Помогите черчение пж
Мне надо главный левый и вид сверху ​

Приложения:

Ответы

Ответ дал: Букса
1

Ответ:

Объяснение:

+++++++++++++++++++++++++++++

Приложения:
Вас заинтересует