Ответы
Ответ дал:
1
Ответ:
Объяснение:
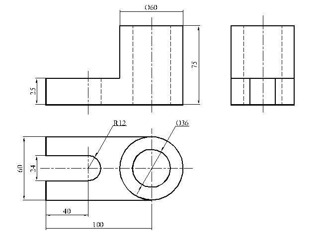
Размер 80 мм заменила на 100 мм
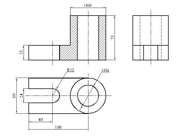
Второй чертеж сделала с фронтальным разрезом
Приложения:


Vanyamagapuper:
Великодушное спасибо!!!!
Вас заинтересует
1 год назад
2 года назад
2 года назад
3 года назад
3 года назад