Ответы
Ответ дал:
0
Ответ:
Объяснение:
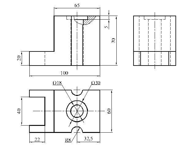
Извините, но Вы не указали какой разрез нужен.
На первом чертеже сделала местный разрез на главном виде, чтобы показать глубину отверстия диаметром 30 мм.
На втором чертеже соединила 1/2 вида слева с 1/2 профильного разреза.
Приложения:


Вас заинтересует
1 год назад
1 год назад
2 года назад
2 года назад
3 года назад
3 года назад
8 лет назад