СРОЧНО 3-тий вид начертите пж​

Приложения:

Ответы

Ответ дал: Букса
3

Ответ:

Объяснение:

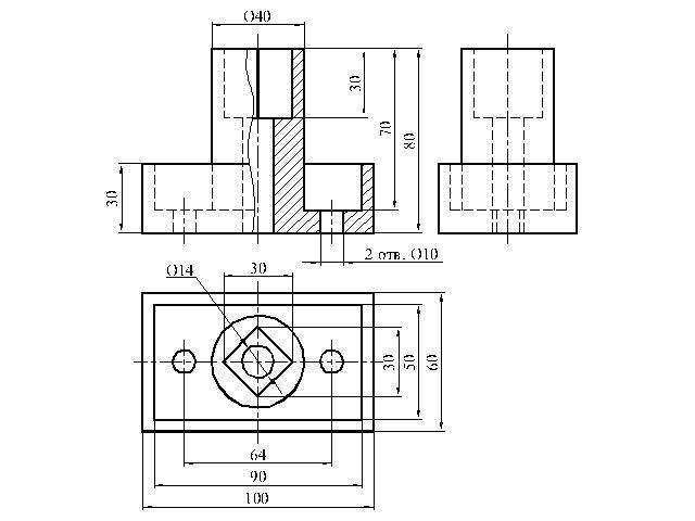
На главном виде сделала фронтальный разрез, т.к. размеры не проставляют по невидимым линиям.

Приложения:
Вас заинтересует