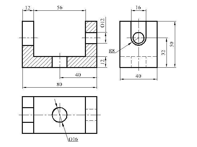
Срочно ,ребята помогите по черчению. Начертить вид сверху,спереди,слева обозначить размеры
Приложения:
Ответы
Ответ дал:
0
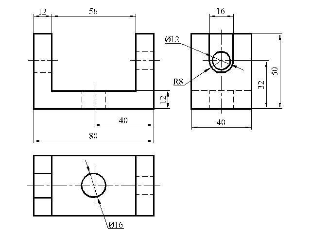
Ответ:
Объяснение:
++++++++++++++++++++++++
Приложения:
Вас заинтересует
2 года назад
2 года назад
3 года назад
3 года назад
9 лет назад
9 лет назад
10 лет назад