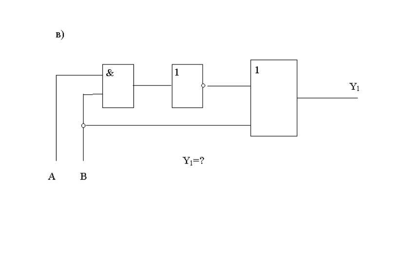
Для каждой из функциональных схем выписать соответствующую структурную формулу.
Помогите!!!
Приложения:



Ответы
Ответ дал:
0
Ответ на фото
Объяснение:
Приложения:

Вас заинтересует
2 года назад
2 года назад
3 года назад
3 года назад
8 лет назад
9 лет назад