Пожалуйста, ОЧЕНЬ СРОЧНО, у меня 2 по черчению выходит, помогите, пожалуйста!!!
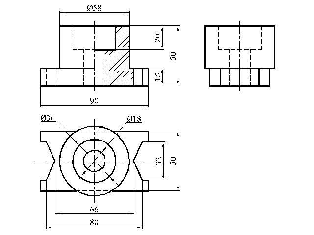
По аксонометрическим чертежам детали, выполните чертеж ОПОРЫ в необходимом количестве видов. На чертеже выполните разрез, соединение половины вида с половиной разреза. Проставляйте размеры. Материал-СТАЛЬ.
Приложения:
Ответы
Ответ дал:
6
Ответ:
Объяснение:
Вид слева начертила на всякий случай - его можно не чертить.
Приложения:
Софа1711:
Спасибо!
Удачи!
Вас заинтересует
2 года назад
2 года назад
3 года назад
3 года назад
9 лет назад