Ответы
Ответ дал:
2
Ответ:
Объяснение:
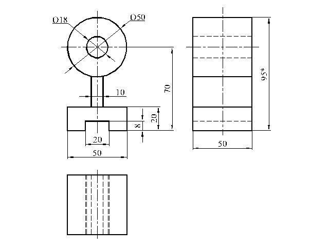
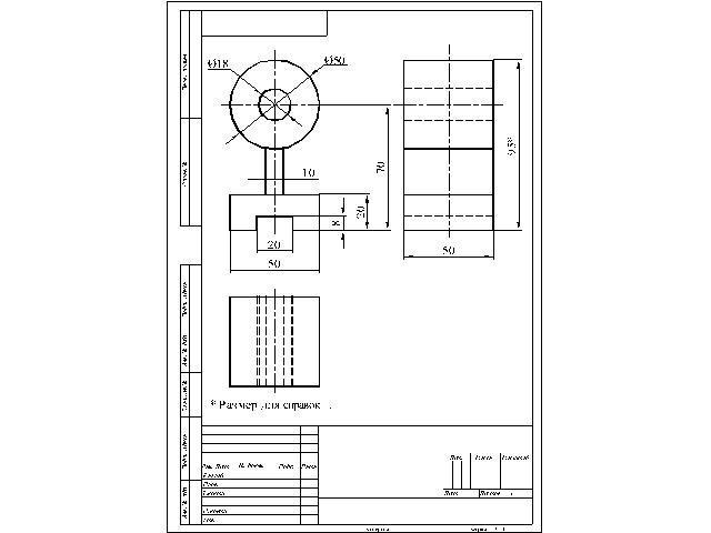
Это сборочный чертеж, следовательно, должны быть вынесены позиции деталей и указаны сварные швы.
Вид сверху можно не чертить, т.к. не несет никакой информации.
Указала высоту детали 95 мм со звездочкой - габаритный размер и должен быть указан на чертеже, а со звездочкой, т.к. он справочный.
Приложения:


Вас заинтересует
1 год назад
1 год назад
2 года назад
2 года назад
3 года назад