• Предмет: Физика
  • Автор: nastya18351
  • Вопрос задан 8 лет назад

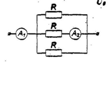
визначне покази 2 амперметра якщо перший показує 6А. прилади ідеальні​

Приложения:

Ответы

Ответ дал: Marisabelle1
0

Ответ:

Объяснение:

Так как сопротивления одинаковые,  о ток будет делиться на 3 равных части по закону Кирхгофа I2 = 6:3 = 2A

Вас заинтересует