• Предмет: Физика
  • Автор: eglazina24
  • Вопрос задан 8 лет назад

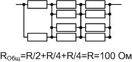
Даны 10 резисторов номиналом 100 ОМ. Соедините все резисторы так чтобы получить цепь с общим сопротивлением 100 ОМ

Ответы

Ответ дал: vlad5748
0

Ответ:

Объяснение:

Решение приведено на рисунке

Приложения:
Ответ дал: vlad5748
0
там нет ответа на мой вопрос(
Ответ дал: vlad5748
0
уточните задание
Ответ дал: eglazina24
0
Определить общую электроемкость конденсатора и заряд на каждом конденсаторе. Общее напряжение 120.
C1=8, C2=9, C3=9
Ответ дал: vlad5748
0
единицы измерения????
Ответ дал: eglazina24
0
у меня вопрос там посмотри
Вас заинтересует