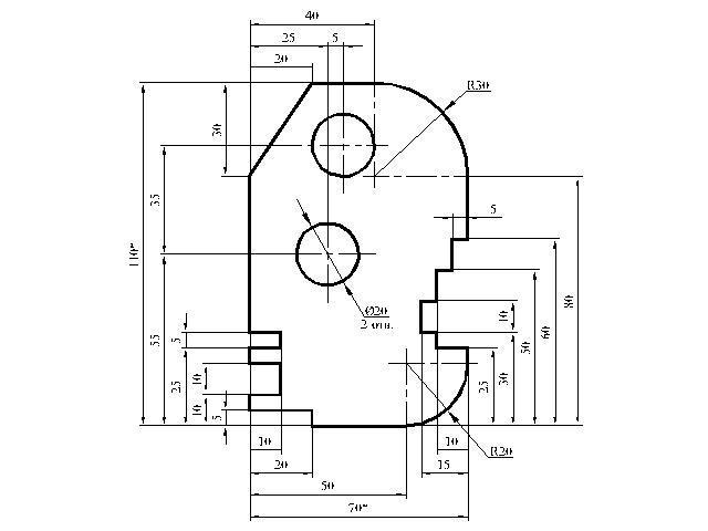
Пожалуста помогите , нанесите размеры на чертёж.​

Приложения:

Ответы

Ответ дал: Букса
1

Ответ:

Объяснение:

Приняла, что размер клетки = 10 мм х 10 мм

Размеры со звездочкой (70* и 110*) - для справок - их можно вычислить при помощи других размеров (расстояние до центра + радиус).  Они являются  габаритными размерами.

Приложения:
Вас заинтересует