Ответы
Ответ дал:
2
Ответ:
Объяснение:
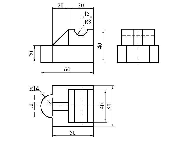
Вид слева можно не чертить, т.к. конструкцию детали можно понять и двум видам.
Приложения:

MartinONeill:
Можете мне помочь?
Вас заинтересует
1 год назад
2 года назад
2 года назад
3 года назад
3 года назад
8 лет назад