Ответы
Ответ дал:
1
Ответ:
Объяснение:
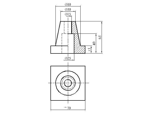
Сделала соединение 1/2 главного вида с 1/2 фронтального разреза, т.к. к невидимым линиям размеры не проставляют.
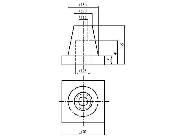
Второй чертеж без разреза.
Приложения:


Вас заинтересует
1 год назад
1 год назад
2 года назад
3 года назад
3 года назад
8 лет назад