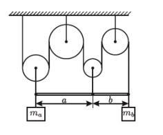
о время выполнения лабораторных работ по физике студенты Азат и Нияз собрали систему из рычага и блоков, изображённую на рисунке. Система находится в равновесии. Точки подвеса делят рычаг в отношении а : b = 3 : 2. Найдите отношение масс грузов ma : mb, пренебрегая массами рычага, блоков и верёвок, а также трением.

Ответы
Ответ:
Объяснение: ВНИМАНИЕ! За l2 и F2 я взял отрезок b, а за l1 и F1 я взял отрезок a.
В этой задаче мы будем пользоваться условием равновесия рычага(пропорцией):
Эта задача действительно пугает: плечи сил нам неизвестны, вместо них нам дано отношение. Обе силы, с которыми действуют эти грузы, мы не знаем.
Но не все так сложно.
Сначала поговорим о плечах этих сил.
Плечи этих сил можно обозначить любой буквой(будь то буква a, x, d и т.д.)
Я возьму букву x.
Тогда получается, что второе плечо силы равняется 2a см, а первое - 3a см.
Введем эти данные в пропорцию:
Но тут у нас появляется счастье в виде двух неизвестных величин F1 и F2. Можно было бы составить систему линейных уравнений и поломать себе жизнь окончательно, но систему мы составлять не будем, все гораздо проще.
Давай мы из этой пропорции выразим F2:
F2 =
И тут мы с радостью обнаруживаем, что наше пресловутое a сокращается, и остается 3/2F1, а 3/2 это ничто иное, как 1,5F1
А это значит, что сила F2 в полтора раза больше силы F1.
Теперь мы знаем все. Запишем наши достояния человечества в пропорцию. (Вместо F2 я запишу 1,5F1).
И тут мы с радостью обнаруживаем,что в левой части пропорции сокращается F1, в числителе вместо F1 остается 1(по свойству дроби).
Получаем достояние человечества:
Теперь мы найдем отношение
1 Н делим на 10 Н/кг получаем 0,1 кг - масса груза a
1,5 Н делим на 10 Н/кг получаем 0,15 кг - масса груза b.
Теперь мы находим отношение двух масс:
≈ 0,66
Задача решена.