Ответы
Ответ дал:
0
Ответ:
Объяснение:
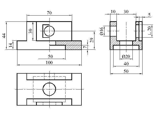
На втором чертеже:
1/2 главного вида + 1/2 фронтального разреза
вид слева заменен на профильный разрез
Размеры не указывают по невидимым линиям.
Приложения:


Вас заинтересует
1 год назад
1 год назад
3 года назад
8 лет назад