Нужно показать разрез , на фронтальной плоскости (желательно что бы ответ показан изображением)
Даю 80 баллов
Приложения:
Ответы
Ответ дал:
0
Ответ:
Объяснение:
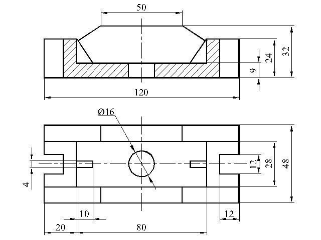
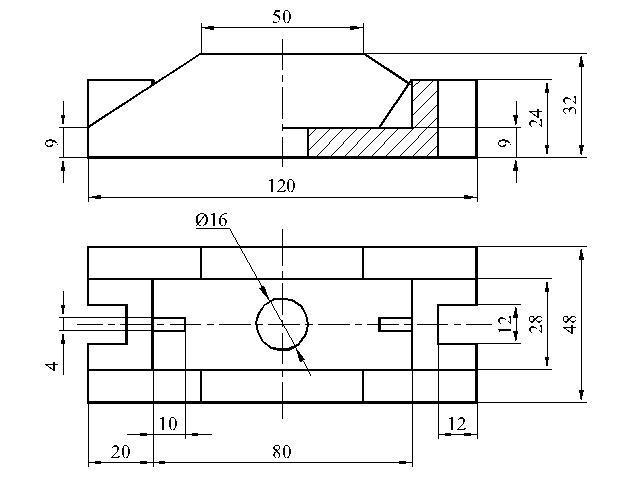
На первом чертеже сделала полностью фронтальный разрез, но это не совсем верно, а вот на втором чертеже главный вид заменила 1/2 вида + 1/2 фронтального разреза - видно исполнение детали и снаружи и внутри.
Приложения:
jaajak:
помогите пожалуйста по математике
Вас заинтересует
2 года назад
2 года назад
2 года назад
3 года назад
3 года назад
9 лет назад
9 лет назад