Ответы
Ответ дал:
1
Ответ:
Объяснение:
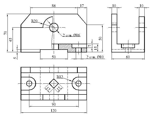
Главный вид заменила на 1/2 вида и 1/2 фронтального разреза.
Приложения:

Вас заинтересует
1 год назад
1 год назад
1 год назад
3 года назад
8 лет назад
8 лет назад