Ответы
Ответ дал:
1
Ответ:
Объяснение:
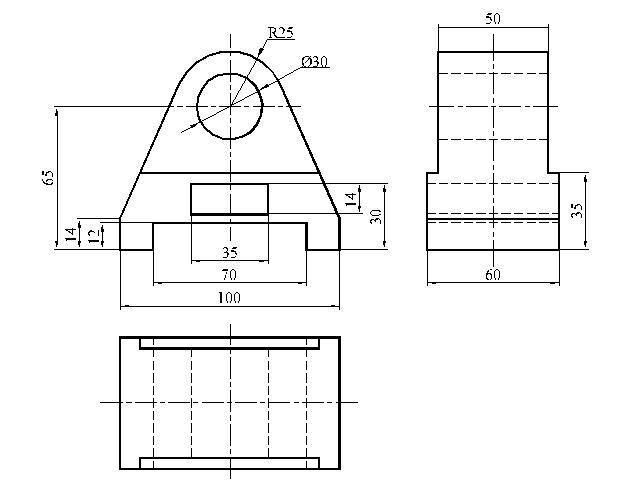
Первый чертеж - построение третьего вида.
Приложения:




Вас заинтересует
1 год назад
1 год назад
3 года назад
8 лет назад