• Предмет: Физика
  • Автор: kri1998
  • Вопрос задан 2 года назад

По разделу: « Электродинамика» (тема «Эл. цепи постоянного тока»)
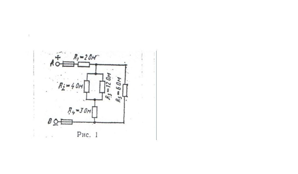
Uab= 50 B
Найти I1

Приложения:

Ответы

Ответ дал: vlad5748
1

Ответ:

I₁=10 A

Объяснение:

R₁=2 Ом

R₂=4 Ом

R₃=12 Ом

R₄=3 Ом

R₅=6 Ом

Uab=50 B

I₁=?

I₁=I=Uab/Rэкв

R₂₃₄=R₂*R₃/(R₂+R₃)+R₄=4*12/(4+12)+3=3+3=6 Ом

R₂₃₄₅=R₂₃₄*R₅/(R₂₃₄+R₅)=6*6/(6+6)=3 Ом

Rэкв=R₁+R₂₃₄₅=2+3=5 Ом

I₁=50/5=10 A

Ответ дал: Amigo3
1

Ответ:R23=4*12/16=3 Ом, R234=3+3=6Ом, R2345=6*6/12=3 Ом. Искомая сила тока равна U/(R1+R2345)= 50/(2+3) =10 А.

Ответ: 10 А.

Объяснение:

Вас заинтересует