Ответы
Ответ дал:
1
Ответ:
Объяснение:
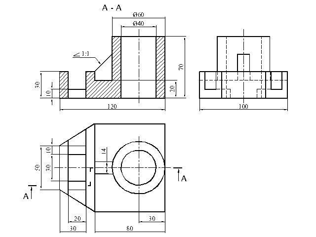
Первый чертеж - построение третьего вида (слева)
Второй чертеж - главный вид заменила ступенчатым разрезом А-А
Третий чертеж - диметрия
Приложения:



Вас заинтересует
1 год назад
1 год назад
1 год назад
1 год назад
3 года назад
3 года назад
8 лет назад