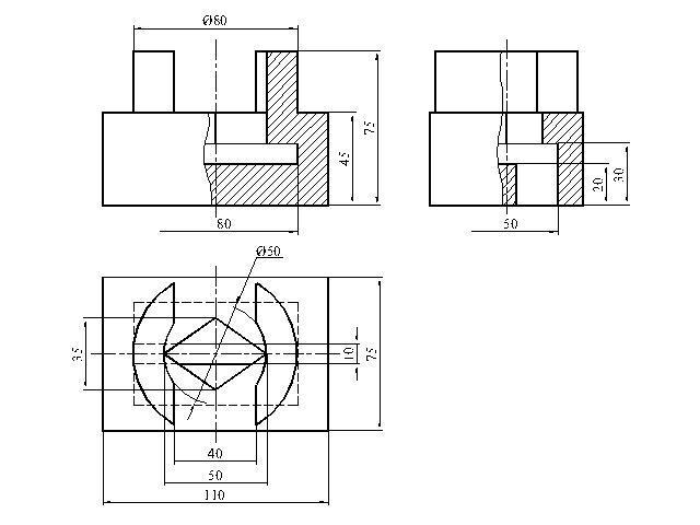
Помогите, пожалуйста, построить вид слева

Приложения:

Ответы

Ответ дал: Букса
0

Ответ:

Объяснение:

Деталь сложная - вид спереди и вид слева выполнила с разрезами, т.к. размеры не указывают по невидимым линиям.

На втором чертеже - просто вид слева

Приложения:
Вас заинтересует